集成式步进伺服电机

Integrated stepper motor

当前位置:

首页 >   集成式步进伺服电机   >   (多圈绝对值)28集成式电机
1.jpg
2.jpg
3.jpg

IM28ET008-P(485通讯)多圈绝对值

机座号:28mm
保持转矩:0.065N.m
电源电压:9-36VDC
支持协议:Modbus/RS485,CANopen,内置编程
多圈反馈:1599圈,支持自设原点可记忆无需传感器
支持软件限位,比限位开关更可靠
全闭环:4096线(16384 Counts)编码器反馈
支持力矩模式:碰撞回原、恒力矩、夹取物体
输入兼容:5-24VDC,输出为集电极0C输出,耐压30VDC
全面保护:过压、欠压、过流、绕组开路、位置偏差
非易失性存储:配置参数储存在MCU内部的FLASH中
滤波频率范围厂:50K-5M可选,出厂默认400KHz
上位机界面友好,功能全面

匹配产品

规格参数
  • 输入电压范围
    9-36vdc
  • 输出力矩范围
    最大0.065N.m
  • 通讯方式
    RS485
  • 保护
    过压、欠压、过流、绕组开路、位置偏差
  • 编码器类型
    多圈绝对值
  • 电流设置
    0.2~3.2软件可调,出厂适配电机:1.0A
  • 细分设置
    上位机设置,大于200任意正整数,出厂默认4000
  • 地址设置
    出厂默认1,通过上位机设置起始地址改变地址
  • 相电感
    2.1mH+20%
  • 相电阻
    2.1Ω+20%
  • 多圈反馈
    1599圈免电池多圈,记圈范围固定-100圈到+1499圈
  • 编码器反馈
    4096线(16384 Counts)编码器反馈
  • 非易失性存储
    配置参数储存在MCU内部的FLASH中
  • 转子惯量
    ≈9g.c㎡
  • 使用温度范围
    0℃±40℃
  • 使用湿度范围
    20% RH~90%RH
产品特性
  • 输入电压范围
    9-36vdc
  • 输出力矩范围
    最大0.065N.m
  • 通讯方式
    RS485
  • 保护
    过压、欠压、过流、绕组开路、位置偏差
  • 编码器反馈
    4096线(16384 Counts)编码器反馈
  • 电流设置
    0.2~3.2软件可调,出厂适配电机:1.0A
  • 细分设置
    上位机设置,大于200任意正整数,出厂默认4000
  • 地址设置
    出厂默认1,通过上位机设置起始地址改变地址
  • 相电感
    2.1mH+20%
  • 相电阻
    2.1Ω+20%
  • 多圈反馈
    1599圈免电池多圈,记圈范围固定-100圈到+1499圈
  • 编码器反馈
    4096线(16384 Counts)编码器反馈
  • 非易失性存储
    配置参数储存在MCU内部的FLASH中
  • 转子惯量
    ≈9g.c㎡
  • 使用温度范围
    0℃±40℃
  • 使用湿度范围
    20% RH~90%RH

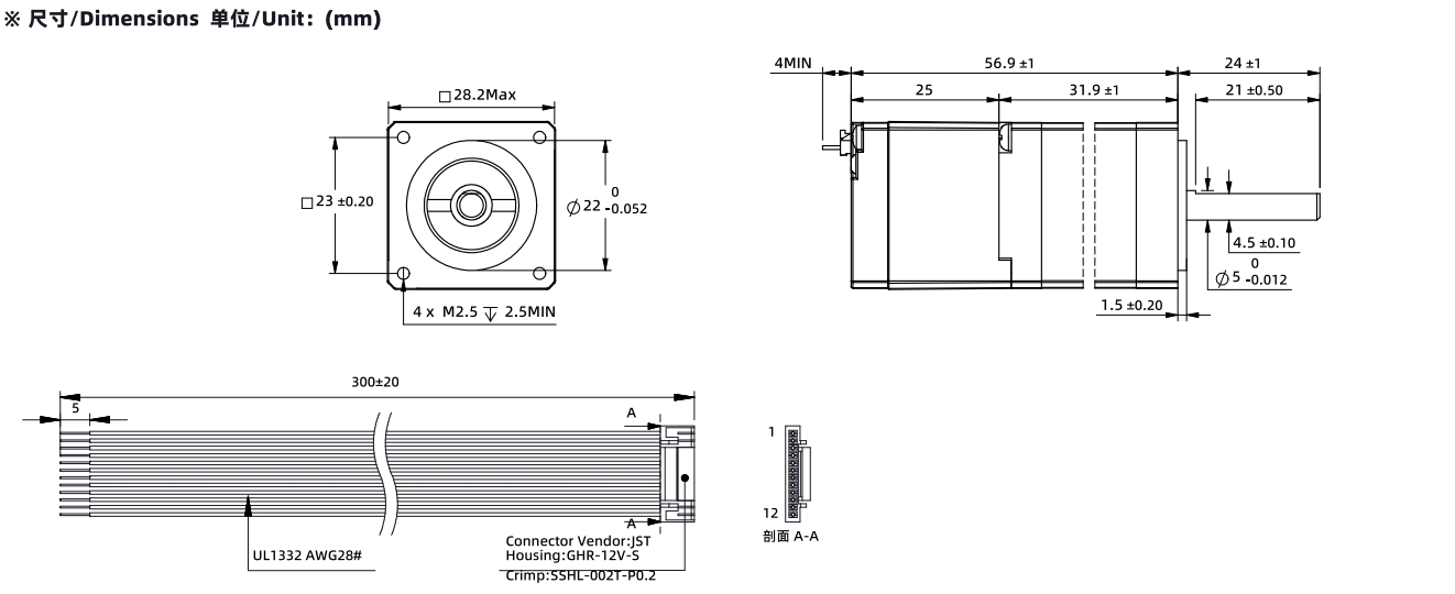
  • 外形尺寸
    资料下载
    说明 下载
    IM28ET008-P集成式步进伺服电机2D图 在线浏览
    IM28ET008-P集成式步进伺服电机3D图 在线浏览
    IM28ET008系列硬件手册(使用说明书) 在线浏览

    相关产品